2021年1月21日,国家市场监督管理总局发布《市场监管总局关于开展肉制品质量安全提升行动的指导意见》,要求各级市场监管部门严格落实食品安全法律法规和“四个最严”要求,全面开展肉制品质量安全提升行动。
肉制品质量安全与广大群众生活密切相关,今天程诚小编就带大家一起了解下肉制品质量安全的相关知识。
肉制品,一般指用畜禽肉为主要原料,经调味等加工处理而制得的熟肉制成品或半成品。按照《GB/T19480-2009肉与肉制品术语》主要分为中式肉制品和西式肉制品两大类。

绿色食品向来代表着食品领域的很高的水平,《NY/T843-2015绿色食品畜禽肉制品》就是从感官、理化指标、污染物限量、兽药残留限量、食品添加剂限量、微生物限量等方面对肉制品的质量做了详尽的规范。

首先看一下肉制品的分类,包括:调制肉制品、腌腊肉制品、酱卤肉制品、熏烧焙烤肉制品、肉干制品和肉类罐头制品几大类别。

感官要求方面,标准主要从色泽、组织形态、滋味和气味、杂质、外观等角度进行了要求。

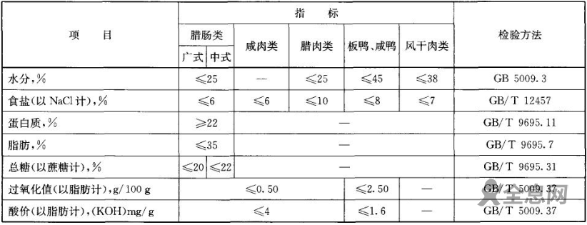
理化指标方面,不同类型的肉制品的要求有所不同。调制肉制品主要对挥发性盐基氮做了要求;腌腊肉制品则涉及水分、食盐、蛋白质、脂肪、总糖、过氧化值、酸价(如下图);肉干制品针对水分、蛋白质、脂肪、总糖、淀粉和食盐含量做了规定;而肉类罐头制品仅对食盐含量有所限制。

污染物限量、兽药残留限量、食品添加剂限量方面,调制肉制品要求最为严格,标准规定应符合GB2762、中华人民共和国农业部公告第235号等食品安全国家标准及相关规定以及下图的相关指标;而腌腊肉制品、酱卤肉制品、熏烧焙烤肉制品、肉干制品和肉类罐头制品只对铅、总汞、锡和亚硝酸盐做了限定。

微生物限量方面,调制肉制品、腌腊肉制品、酱卤肉制品、熏烧焙烤肉制品和肉干制品要求菌落总数、大肠菌群和金黄色葡萄球菌不得超过相应指标;肉类罐头制品则要求更为严格,需要实现商业无菌。
食品安全人人有责,多了解一些肉制品质量安全的知识,日常生活的生命健康安全就更能得到保障。本次国家市场监管总局发布的指导意见更是一次契机,既强调落实了肉制品企业质量安全主体责任?,又着重加强了肉制品质量安全监督管理,有利于我国肉制品加工行业的健康发展和肉制品质量安全水平的稳步提升。
(责任编辑:程艳红)
声明:文章版权归原作者所有,本文摘编仅作学习交流,非商业用途,所有文章都会注明来源,如有异议,请联系我们快速处理或删除,谢谢支持。
(原文章信息:标题:肉制品检测,作者:佚名,来源:程诚检测,来源地址:)